Business Class M2 112V EPA 2007

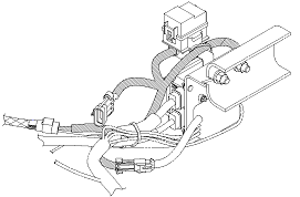
Anti-Lock Brake System

 

Rear Rear Harness

With Supplemental Receptacle

Rear Rear Harness

Without Supplemental Receptacle

Supplemental Receptacle Power Harness

Differential Lock