Business Class M2 106 EPA 2007

Power Receptacles

 

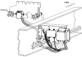
Primary Receptacle : Back of Cab Mounted

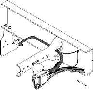
Primary Receptacle: End of Frame - Web Mounted

Trailer Receptacle: Back of Cab Mounted

Trailer Receptacle: End of Frame - Flag Bracket Mounted

Trailer Receptacle: Flag Bracket Mounted