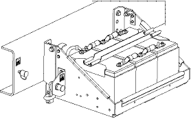
Business Class M2 106 EPA 2007

Jump Start Provision

 

On Battery Box

Positive Stud

On 'J' Bracket

Negative & Positive Studs

(Step Mounted Battery Tray)

On Left Hand Frame Rail

Negative & Positive Studs

(Back Of Cab)

On Left Hand Frame Rail

Positive Stud

(Back Of Cab)

Side Of Battery Box

Negative & Positive Studs

Under Hood