Important Information

When preparing to order terminals and seals, please check Paragon first to see if the part number exists within that system.

If the part number does not exist within Paragon, then it is not a production part. In this case, a different part number should be used.

------ ------ ------ ------ ------ ------

When clicking on the part number links on this page, you will be brought to the Daimler Excelerator parts web site...

If available on that site, the part will be shown.


Connector Part Number

Connector Type

Color

Can Mate To

A06-25512-032

 

Required Assembly Parts:

Cavity Plug (12x):

23-13218-901

 

Cavity Plug (22x):

23-13218-900

 

Connector (1x):

23-13153-033

 

Terminal Lock (1x):

23-13154-004

Cover / Cap

White

23-13153-006

A06-25512-032


23-13218-901

(Cavity Seal - Red)


23-13218-900

(Cavity Seal - Natural)


23-13153-033

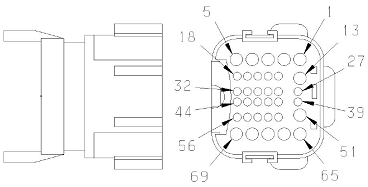
Connector Cavities

Male M1.6

20G, 20S, 18T,

18G, 18S, 16T,

16G, 16S, 14T,

14G

 

CBL.OD.MM: 2.06-3.18

14, 15, 16, 17, 18, 27,

28, 29, 30, 31, 32, 39,

40, 41, 42, 43, 44, 52,

53, 54, 55, 56


23-13211-410

23-13211-411

23-13211-530

Male M2.8

14G, 14S, 12T,

12G, 12S, 10T,

10G, 8T

 

CBL.OD.MM: 3.18-4.7

1, 2, 3, 4, 5, 13,

51, 65, 66, 67,

68, 69


23-13211-430

23-13211-431

23-13211-432


23-13154-004

(Terminal Lock)