Important Information

When preparing to order terminals and seals, please check Paragon first to see if the part number exists within that system.

If the part number does not exist within Paragon, then it is not a production part. In this case, a different part number should be used.

------ ------ ------ ------ ------ ------

When clicking on the part number links on this page, you will be brought to the Daimler Excelerator parts web site...

If available on that site, the part will be shown.


Connector Part Number

Color

Terminal Part Numbers

Plug Part Number

Can Mate To

23-13148-038

 

Terminal Lock:

23-13303-000 (4x)

N/A

23-13210-110

(16-18 GA) Male (Nickel)


23-13210-111

(14-16 GA) Male (Nickel)


23-13210-118

(16-20 GA) Male (Nickel)


23-13210-130

(16-18 GA) Male (Gold)


23-13210-131

(14-16 GA) Male (Gold)


23-13210-132

(14-16 GA) Male (Gold) (XLONG)


23-13210-133

(16-20 GA) Male (Gold)


23-13210-140

(12-16 GA) Male (Tin)

23-13218-204

23-13148-002

 

or

 

23-13148-004

 

or

 

23-13148-006

 

or

 

23-13148-008

 

or

 

23-13148-047


23-13148-038

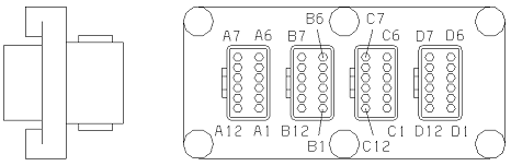
Connector Cavities

Male S16

18GXL, 18SXL,

16GXL, 16SXL,

14TXL, 14GXL, 14SXL

 

CBL.OD.MM: 2.23-3.68

A1, A2, A3, A4, A5,

A6, A7, A8, A9, B1,

B2, B3, B4, B5, B6,

B7, B8, B9, C1, C2,

C3, C4, C5, C6, C7,

C8, C9, D1, D2, D3,

D4, D5, D6, D7, D8,

D9, A10, A11, A12,

B10, B11, B12, C10,

C11,C12, D10, D11, D12


TYP TERM

23-13210-110

23-13210-111

23-13210-118

23-13210-130

23-13210-131

23-13210-132

23-13210-133

23-13210-140


23-13210-110

(16-18 GA) Male (Nickel)


23-13210-111

(14-16 GA) Male (Nickel)


23-13210-118

(16-20 GA) Male (Nickel)


23-13210-130

(16-18 GA) Male (Gold)


23-13210-131

(14-16 GA) Male (Gold)


23-13210-132

(14-16 GA) Male (Gold) (XLONG)


23-13210-133

(16-20 GA) Male (Gold)


23-13210-140

(12-16 GA) Male (Tin)


23-13303-000

(Terminal Lock)


23-13218-204

(Cavity Seal - White)